Skoda HCW 1-150 5/9M CNC Heavy-Duty Floor Type Horizontal Boring Machine

Skoda HCW 1-150 5/9M CNC Heavy-Duty Floor Type Horizontal Boring Machine
Description
With 4 Axes Operating Simultaneously, For Milling, Drilling and Boring of Heavy-Duty Parts
GE Fanuc Series 31i Model B CC Control System
4 Axis Operating Simultaneously, For Milling, Drilling, And Boring On Heavy Large Parts,
60 Position Automation Tool Changer
(1) SKODA TDV 70 L D100 Rotary Tables with Longitudinal Travel
Table Size 4000 x 4000 mm
Table Load Capacity 70 Tons
V-Axis Longitudinal Travel of 2500 mm
B -Axis (rotational) of 360 degrees
B-Axis Increment 0.0001 degrees
2-Axis Continuous Milling Head from 1ST Axis 0 – 360 degrees
2nd Axis +/- 95 degrees
Head pick and place rack (AAC) for 4+1 accessories
IFW 12 C-E Angular Milling Head
IFVW 101 C-E Angular Milling Head
UFK 600 CR-NC Universal Milling Head
IWD 500 A Facing Head
Tool Cooling System.
Tool management
Remote diagnosis
Language expansion
Tool cooling equipment
Automatic tool change
Renishaw RMP 60 radio probe for part measurement
Floor Plates Plate Type D18/40
Chip conveyor
All Hydrostatic Guideways
Entire Machine Structure Made of Cast Iron
Heads:
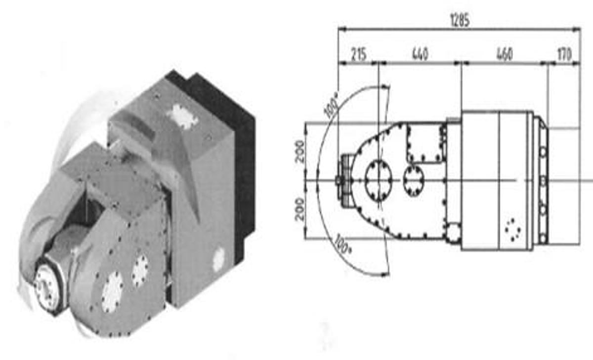
2- Axis Universal Milling Head UFK 600 CR-NC
- Automatic tool clamping.
- Continuous rotation of the headstock on 2 axes.
- External and internal cooling of the tool.
- Automatic loading and clamping on the machine.
- Clamping cavity on the spindle (DIN 69871 – AD) ISO 50
- Max. power (at 400 rpm) 25kW
- Max. torque (up to 400 rpm) 600 Nm
- Max. rotation 3,000 rpm
- Transmission ratio between the machine spindle and headstock spindle 1:1
- Headstock rotation on 1ST axis 1 0-360 degrees
- Headstock rotation on 2nd axis +/- 100 degrees
- Weight 850 kg
Angular Milling Head IFW 12 C-E
- Manual tool clamping.
- Indexed head rotation of 1°
- External tool cooling.
- Automatic loading and clamping on the machine.
- Clamping cavity on the spindle (DIN 69871 – AD) ISO 50
- Max. power (from 400 rpm) 25kW
- Max. torque (up to 400 rpm) 600 Nm
- Max. rotation 3,000 rpm
- Transmission ratio between machine spindle and headstock spindle 1:1
- Head rotation 0-360 degrees
- Weight 650 kg
Angular Milling Head IFVW 101 C-E
- Automatic tool clamping.
- Indexed head rotation of 1°
- External and internal tool cooling.
- Automatic loading and clamping on the machine.
- Clamping cavity on the spindle (DIN 69871 – AD) ISO 50
- Max. power (from 240 rpm) 25kW
- Max. torque (up to 240 rpm) 1,000 Nm
- Max. rotation 1,600 rpm
- Transmission ratio between machine spindle and headstock spindle 1:1
- Head rotation 0-360 degrees
- Weight 500 kg
Facemill Head IWD
- The rotational movement is derived from the machine spindle's rotation.
- The expansion movement is derived from the machine spindle's advancement.
- Automatic loading and fixation in the machine.
- Max. torque 6,300 Nm
- Max. rotation 100 rpm
- Maximum force in boring 20,000 N
- Maximum force in facing 14,000 N
- Transmission ratio between the machine drive shaft and the facing 1:1
- Facing stroke 90 mm
- Facing feed 0.75 – 1,000 mm/min
- Maximum facing diameter 1,465 mm
- Weight 580 kg
Specifications
| Manufacturer | Skoda |
| Model | HCW 1-150 5/9M |
| Year | 2015 |
| Condition | Used |
| Stock Number | 5654298 |
| Spindle diameter | 150 mm |
| Center diameter of milling spindle | 235 mm |
| Spindle speeds | 3,000 rpm |
| X axis travel | 9,000 mm |
| Y axis travel | 5,000 mm |
| Z axis travel | 1,200 mm |
| W axis travel | 1,000 mm |
| Z + w - ram + spindle travel | 2,200 mm |
| Table dimensions | 4,000 x 4,000 mm |
| Table capacity | 70 Ton |
| V axis table travel | 2,500 mm |
| B axis rotational | 360° |
| B axis indexing | 0.0001° |
| Ram dimensions | 400 x 400 mm |
| Main motor power | 71 kW |
| Max torque | 7000 Nm |
| Spindle taper | ISO 50 |
| Feed rates X/Y | 0.5 - 20,000 mm/min |
| Feed rates Z/W | 0.5 - 15,000 mm/min |
| Feed force X/Y/Z | 35,000 N |
| Feed force W | 30,000 N |
| Bed guideway width | 1,650 mm |














